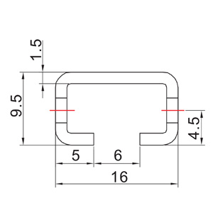
| 型号 | 芯体长度 | 芯体高度 | 扁管厚度 | 翅片片距 | 翅片高度 | 集流管外径 |
| SC-1000 | 333.2[mm] | 299.7[mm] | 16[mm] | 1.1[mm] | 8.1[mm] | 20[mm] |
| 13.12[in] | 11.8[in] | 0.63[in] | 23[FPI] | 0.32[in] | 0.79[in] |
| 型号 | 扁管高度 | 扁管数量 | 回路 | 内部容积 | 进口内径 | 出口内径 |
| SC-1000 | 1.3[mm] | 29 | 6/6/5/5/4/3 | 0.16[L] | 6.35[mm] | 6.35[mm] |
| 0.05[in] | 9.5[in3] | 1/4[in] | 1/4[in] |
边板安装
铝制微通道换热器在高温下存在热胀冷缩现象,支架安装等必须允许一定的公差范围。
性能参数
| 风速 | 换热性能 [KW/Btu/h×1000] | ||||||||
| [m/s] | [ft/min] | R410A | R134a | ||||||
| △ =10K △ =18°F |
△ =15K △ =27°F |
△ =2K △ =36°F |
△ =25K △ =45°F |
△ =10K △ =18°F |
△ =15K △ =27°F |
△ =2K △ =36°F |
△ =25K △ =45°F |
||
| 1 | 197 | 0.88/3.00 | 1.37/4.68 | 1.85/6.31 | 2.33/7.95 | 0.83/2.83 | 1.27/4.33 | 1.72/5.87 | 2.20/7.51 |
| 1.5 | 295 | 1.2/4.10 | 1.91/6.52 | 2.58/8.81 | 3.26/11.13 | 1.12/3.82 | 1.73/5.90 | 2.40/8.19 | 3.00/10.24 |
| 2 | 394 | 1.54/5.26 | 2.39/8.16 | 3.23/11.02 | 4.08/13.92 | 1.37/4.68 | 2.12/7.24 | 2.96/10.10 | 3.70/12.63 |
| 2.5 | 492 | 1.82/6.21 | 2.81/9.59 | 3.80/12.97 | 4.82/16.45 | 1.58/5.39 | 2.54/8.67 | 3.43/11.71 | 4.30/14.68 |
| 3 | 591 | 2.07/7.06 | 3.2/10.92 | 4.33/14.78 | 5.49/18.74 | 1.77/6.04 | 2.86/9.76 | 3.86/13.17 | 4.80/16.38 |
| 风速 | 换热性能 [KW/Btu/h×1000] | ||||||||
| [m/s] | [ft/min] | R404A | R407C | ||||||
| △ =10K △ =18°F |
△ =15K △ =27°F |
△ =2K △ =36°F |
△ =25K △ =45°F |
△ =10K △ =18°F |
△ =15K △ =27°F |
△ =2K △ =36°F |
△ =25K △ =45°F |
||
| 1 | 197 | 0.86/2.94 | 1.37/4.68 | 1.85/6.31 | 2.33/7.95 | 0.57/1.95 | 1.08/3.69 | 1.55/5.29 | 2.06/7.03 |
| 1.5 | 295 | 1.18/4.03 | 1.9/6.48 | 2.56/8.74 | 3.23/11.02 | 0.76/2.59 | 1.47/5.02 | 2.19/7.47 | 2.87/9.80 |
| 2 | 394 | 1.5215.19 | 2.35/8.02 | 3.18/10.85 | 4.02/13.72 | 0.93/3.17 | 1.81/6.18 | 2.73/9.32 | 3.56/12.15 |
| 2.5 | 492 | 1.78/6.08 | 2.75/9.39 | 3.72/12.70 | 4.71/16.08 | 1.07/3.65 | 2.2/7.51 | 3.2/10.92 | 4.17/14.23 |
| 3 | 591 | 2.01/6.86 | 3.11/10.6 | 4.2/14.33 | 5.33/18.19 | 1.19/4.06 | 2.5/8.53 | 3.6/12.29 | 4.72/16.11 |
空气侧压降数据
| 风速 | 压降 | 风量 | |||
| [m/s] | [ft/min] | [Pa] |
[inch H2O] | [m3/h] |
[cfm] |
| 1 | 197 | 9.12 |
0.04 | 313.30 |
184.3 |
| 1.5 | 295 | 14.35 |
0.06 | 470.00 |
276.5 |
| 2 | 394 | 21.82 |
0.09 | 626.52 |
368.5 |
| 2.5 | 492 | 29.20 |
0.12 | 783.15 |
460.7 |
| 3 | 591 | 34.9 |
50.14 | 939.78 |
552.8 |


中文简体


查看更多>>
查看更多>>
查看更多>>
查看更多>>
查看更多>>
查看更多>>
查看更多>>
查看更多>>
查看更多>>
查看更多>>
查看更多>>





