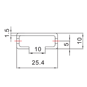
| 型号 | 芯体长度 | 芯体高度 | 扁管厚度 | 翅片片距 | 翅片高度 | 集流管外径 |
| SC-1500 | 1074[mm] | 518[mm] | 25.4[mm] | 1.1[mm] | 8[mm] | 38[mm] |
| 42.28[in] | 20.39[in] | 1[in] | 23[FPI] | 0.31[in] | 1.5[in] |
| 型号 | 扁管高度 | 扁管数量 | 回路 | 内部容积 | 进口内径 | 出口内径 |
| SC-1500 | 2[mm] | 49 | 35/14 | ≈2.98[L] | 12.7[mm] | 12.7[mm] |
| 0.08[in] | ≈181.85[in3] | 1/2[in] | 1/2[in] |
边板安装
铝制微通道换热器在高温下存在热胀冷缩现象,支架安装等必须允许一定的公差范围。
性能参数
| 风速 | 换热性能 [KW/Btu/h×1000] | ||||||||
| [m/s] | [ft/min] | R410A | R134a | ||||||
| △ =10K △ =18°F |
△ =15K △ =27°F |
△ =2K △ =36°F |
△ =25K △ =45°F |
△ =10K △ =18°F |
△ =15K △ =27°F |
△ =2K △ =36°F |
△ =25K △ =45°F |
||
| 1 | 197 | 4.87/16.62 | 8.42/28.74 | 11.59/39.56 | 14.74/50.31 | 5.29/18.05 | 8.21/28.02 | 11.12/37.95 | 13.86/47.30 |
| 1.5 | 295 | 7.62/26.01 | 12.23/41.7 | 16.59/56.62 | 21.09/71.98 | 7.51/25.63 | 11.59/39.56 | 15.72/53.65 | 20.21/68.98 |
| 2 | 394 | 9.58/32.70 | 15.58/53.1 | 21.21/72.39 | 26.95/91.98 | 9.53/32.53 | 14.64/49.97 | 20.28/69.22 | 25.78/87.99 |
| 2.5 | 492 | 11.48/39.1 | 18.69/63.7 | 25.58/87.30 | 32.48/110.8 | 11.22/38.29 | 17.42/59.45 | 24.39/83.24 | 20.89/71.30 |
| 3 | 591 | 13.62/46.4 | 21.62/73.7 | 29.63/101.1 | 37.69/128.6 | 12.79/43.65 | 20.51/70.00 | 28.18/96.18 | 35.81/122.2 |
| 风速 | 换热性能 [KW/Btu/h×1000] | ||||||||
| [m/s] | [ft/min] | R404A | R407C | ||||||
| △ =10K △ =18°F |
△ =15K △ =27°F |
△ =2K △ =36°F |
△ =25K △ =45°F |
△ =10K △ =18°F |
△ =15K △ =27°F |
△ =2K △ =36°F |
△ =25K △ =45°F |
||
| 1 | 197 | 5.39/18.40 | 8.41/28.70 | 11.71/39.97 | 14.81/50.55 | 3.51/11.98 | 6.81/23.24 | 9.91/33.82 | 12.91/44.06 |
| 1.5 | 295 | 7.61/25.97 | 12.31/42.01 | 16.81/57.35 | 21.21/72.39 | 4.61/15.73 | 9.63/32.87 | 14.01/47.82 | 18.74/63.96 |
| 2 | 394 | 9.51/32.46 | 15.68/53.52 | 21.44/73.17 | 27.23/92.94 | 6.18/21.09 | 12.09/41.26 | 18.18/62.05 | 23.89/81.54 |
| 2.5 | 492 | 11.92/40.68 | 18.76/64.03 | 25.68/87.65 | 32.68/111.54 | 7.23/24.68 | 14.38/49.08 | 21.81/74.44 | 28.76/98.16 |
| 3 | 591 | 13.68/46.69 | 21.67/73.96 | 29.71/101.40 | 37.91/129.39 | 8.23/28.09 | 14.38/49.08 | 25.34/86.48 | 33.31/113.69 |
空气侧压降数据
| 风速 | 压降 | 风量 | |||
| [m/s] | [ft/min] | [Pa] |
[inch H2O] | [m3/h] |
[cfm] |
| 1 | 197 | 18.6 |
0.07 | 1855.0 |
1091.2 |
| 1.5 | 295 | 29.4 |
0.12 | 2780.0 |
1635.3 |
| 2 | 394 | 45.7 |
0.18 | 3705.0 |
2179.4 |
| 2.5 | 492 | 59.3 |
0.24 | 4635.0 |
2726.5 |
| 3 | 591 | 73.4 |
0.29 | 5560.0 |
3270.6 |


中文简体


查看更多>>
查看更多>>
查看更多>>
查看更多>>
查看更多>>
查看更多>>
查看更多>>
查看更多>>
查看更多>>
查看更多>>
查看更多>>





